電流互感器在工廠供電系統中,廣泛應用于測量、繼電保護。而電流互感器的接線有多種方式,分別應用于不同供電系統的繼電保護。 電流互感器的接線方式
所謂電流互感器的接線方式是指電流互感器與電流繼電器之間的聯接方式。電流互感器在三相電路中有以下四種接線方式。
1. 一相式接線方式

一相式接線方式如圖所示,電流線圈通過的電流,反映一次電路相應相的相電流,通常用于負荷平衡的三相電路如低壓動力線路中,供測量電流或接過負荷保護裝置之用。
2.三相式完全星形接線

三相式完全星形接線方式如圖所示,這種方式對各種故障都起作用。當故障電流相同時,對所有故障都同樣靈敏,對相同短路動作可靠,至少有兩個繼電器動作,因此主要用于高壓大電流接地系統以及大型變壓器、電動機的差動保護、相間短路保護和單相接地短路保護和負荷一般不平衡的三相四線制系統,也用在負荷可能不平衡的三相三線制系統中,作三相電流、電能測量
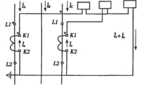
3.兩相不完全星形接線

兩相不完全星形接線如圖所示,在正常運行及三相短路時,中線通過電流為I0=Ia+Ic=-Ib,反映的是未接電流互感器那一相的相電流。如兩只互感器接于A相和C相,AC相短路時,兩只繼電器均動作;當AB相或BC相短路時,只有一個繼電器動作。而在中性點直接接地系統中,當B相發生接地故障時,保護裝置不動作。所以這種接線保護不了所有單相接地故障和某些兩相短路,但剛好滿足中性點不直接接地系統允許一相接地繼續運行一段時間的要求。因此,這種接線廣泛應用在中性點不接地系統。
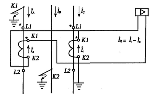
4.兩相電流差式接線

兩相電流差式接線如圖所示,這種接線方式的特點是流過電流繼電器的電流是兩只電流互感器的二次電流的相量差IR=Ia-Ib,因此對于不同形式的故障,流過繼電器的電流不同。
在正常運行及三相短路時,流經電流繼電器的電流是電流互感器二次繞組電流的3 倍。
當裝有電流互感器的A、C兩相短路時,流經電流繼電器的電流為電流互感器二次繞組的兩倍。
當裝有電流互感器的一相(A相和C相)與未裝電流互感器的B相短路時,流經電流繼電器的電流等于電流互感器二次繞組的電流。
當未裝電流互感器的一相發生單相接地短路,繼電器不能反應其故障電流,因此不動作。 因兩相差式接法接線比較簡單,價格便宜,在中性點不接地系統中,能滿足可靠和靈敏度動作要求,所以適用于中性點不接地系統中的變壓器、電動機及線路的相間保護。
下一篇:什么是零序電流互感器?